产品中心 | 联系我们 您好,欢迎访问东莞市超翔电子有限公司官方网站,我们将竭诚为您服务!
风华高科授权代理商 一站式电子元器件整合供应商
全国咨询热线:0769-85325266
您的位置: 首页>产品中心>风华电容>超级电容
超级电容

常规系列圆柱型超级电容器

■常规系列圆柱型超级电容器◆特征* 内阻低,功率密度高* 自放电率小,72 小时自放电<20%*优异的循环寿命,库仑效率达 95%以上*工作温度范围宽;*绿色环保,满足 RoHs 要求◆应用* 智能仪表、行车记录仪、照明灯具、智能家居、工业控制;* 税控收款机、数码相机、电动工具、电动玩具、备用电源;*无线节能鼠标、无线手写

在线咨询全国热线
0769-85325266
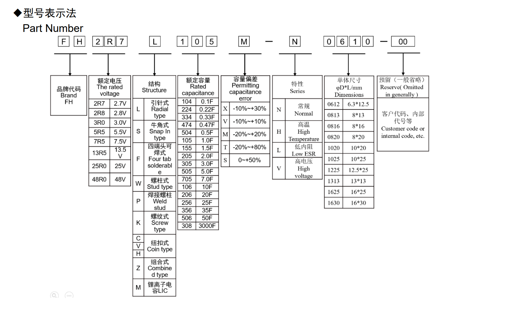
产品描述

■常规系列圆柱型超级电容器

常规系列圆柱型超级电容器.png

◆特征

* 内阻低,功率密度高

* 自放电率小,72 小时自放电<20%

*优异的循环寿命,库仑效率达 95%以上

*工作温度范围宽;

*绿色环保,满足 RoHs 要求


◆应用

* 智能仪表、行车记录仪、照明灯具、智能家居、工业控制;

* 税控收款机、数码相机、电动工具、电动玩具、备用电源;

*无线节能鼠标、无线手写板、SSD 固态硬盘、医疗设备。


在线客服
联系方式

热线电话

0769-85325266

上班时间

周一到周六

手机号码

13712101206

微信二维码
线