产品中心 | 联系我们 您好,欢迎访问东莞市超翔电子有限公司官方网站,我们将竭诚为您服务!
风华高科授权代理商 一站式电子元器件整合供应商
全国咨询热线:0769-85325266
您的位置: 首页>产品中心>风华电容>贴片型电解电容器
贴片型电解电容器

AMG车规系列长寿命贴片型电解电容器

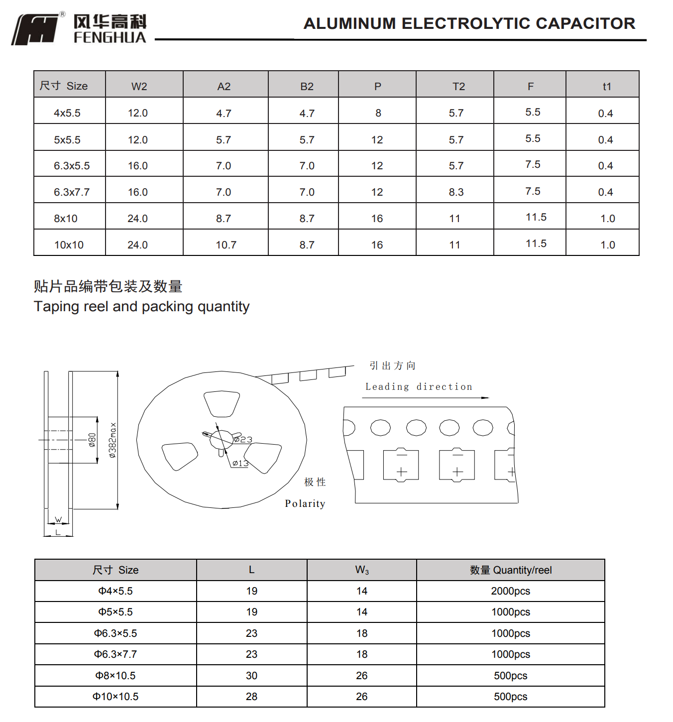
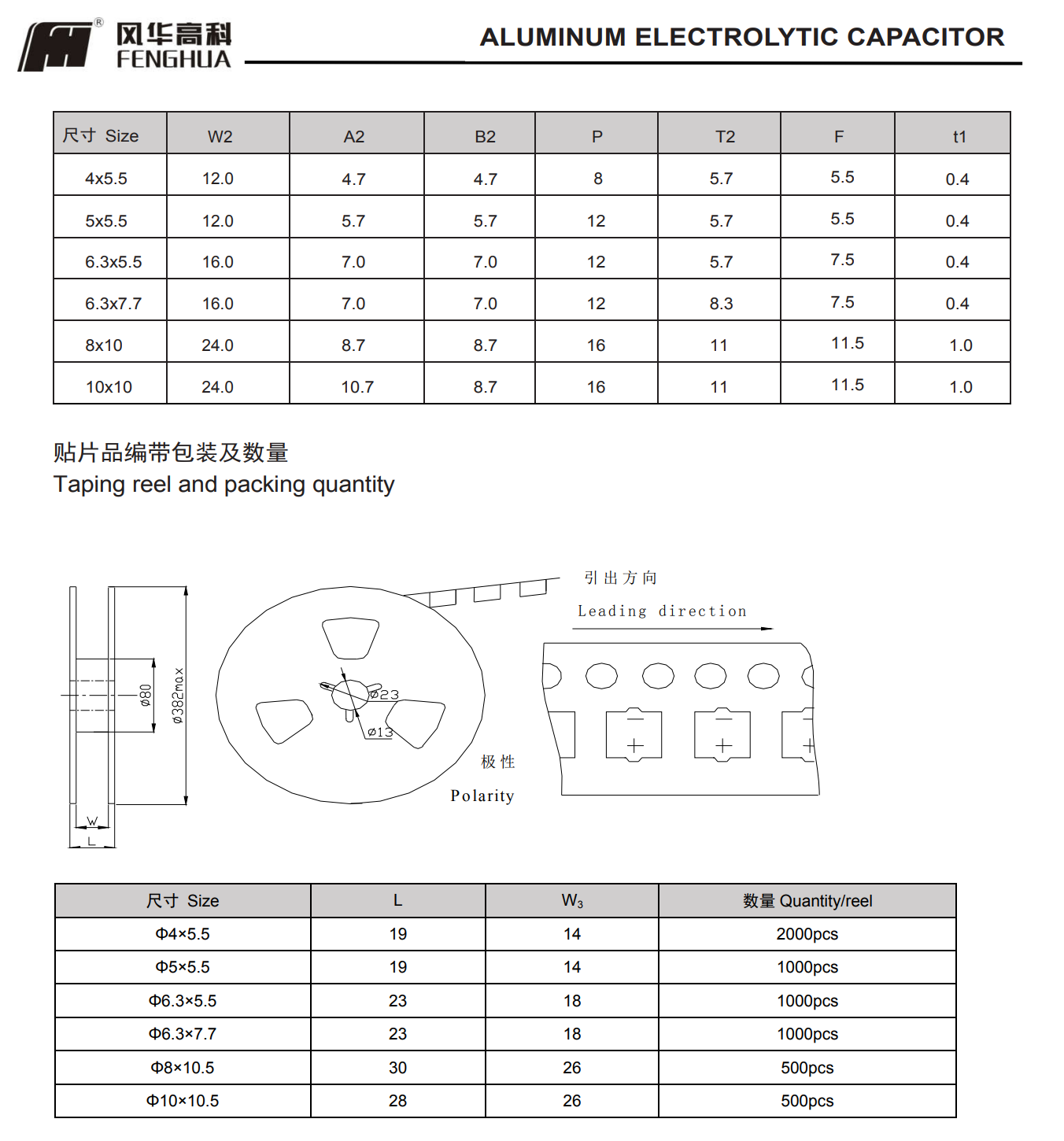
■AMG车规系列长寿命贴片型电解电容器◆ 特征* 寿命: 100℃ 8000 小时* 符合 RoHS* 符合 AEC-Q200◆应用* 适用于汽车模块电子产品和耐高温环境应用环境产品* 适用于自动表面贴装技术和高密度电路

在线咨询全国热线
0769-85325266
产品描述

■AMG车规系列长寿命贴片型电解电容器

AMG车规系列长寿命贴片型电解电容器.png

◆ 特征

* 寿命: 100℃ 8000 小时

* 符合 RoHS

* 符合 AEC-Q200


◆应用

* 适用于汽车模块电子产品和耐高温环境应用环境产品

* 适用于自动表面贴装技术和高密度电路

在线客服
联系方式

热线电话

0769-85325266

上班时间

周一到周六

手机号码

13712101206

微信二维码
线